Appearance
智能花盆 smart flowerpot
智能花盆介绍
硬件设计
土壤温检测度模块
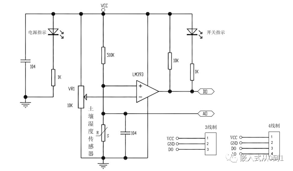
这块主要使用的 LM393 芯片,LM393 芯片是一种比较器,当输入电压高于参考电压时,输出为高电平,当输入电压低于参考电压时,输出为低电平。
土壤湿度传感器的工作原理
带有两个裸露导体的叉形探针用作可变电阻器(就像电位计一样),其电阻根据土壤中的水分含量而变化。

该阻力与土壤湿度成反比:
土壤中更多的水意味着更好的电导率,并导致较低的电阻。 土壤中的水分越少,意味着电导率越差,并且电阻越高。 传感器根据电阻产生输出电压,通过测量我们可以确定水分含量。
探针
- 该传感器包含一个叉形探针,该探针带有两个裸露的导体,可进入土壤或要测量水含量的其他任何地方。
- 如前所述,它充当可变电阻器,其电阻会根据土壤湿度而变化。

模块
- 传感器还包含一个电子模块,用于将探针连接到Arduino。
- 该模块根据探头的电阻产生输出电压,并可以在模拟输出(AO)引脚上使用。
- 相同的信号被馈送到LM393高精度比较器以对其进行数字化,并在数字输出(DO)引脚处可用。

原画图

功能介绍
- 传感器适用于土壤的湿度检测;
- 电压比较器采用LM393芯片;
- 模块中蓝色的电位器是用于土壤湿度的阈值调节。湿度低于设定值时,DO输出高电平,模块提示灯灭;湿度高于设定值时,DO输出低电平,模块提示灯亮;
- 顺时针调节,LM393的反向输入端输入电压越高,较低的湿度环境,模块即可输出低电平,模块灯亮;即向右旋转,增加模块的灵敏度。
- 逆时针调节,LM393的反向输入端输入电压越低,较高的湿度环境,模块才能输出低电平,模块灯亮。即为了让LM393电压比较器输出低电平,需要反向输入端电压大于正向输入端电压,而反向输入端电压已经通过电位器调低了(对应分压也变低了),那么只能将正向输入端的电压调的更低,只有湿度更大的情况下,正向输入端的电压才更低,所以将土壤湿度传感器向水中插入更深入才能触发模块的LED输出指示灯点亮。
LM393自带ADC功能,在空气中AO读取的值最大为4095 , 浸泡在水里的最小值1250;放在潮湿的纸上,值大约为3090附近。

模块引脚
- AO(模拟输出)引脚为我们提供电源值至0V之间的模拟信号,取值范围在 0 ~ 4095 之间。值越大表示湿度最低, 否则湿度越高。
- DO(数字输出)引脚给出内部比较器电路的数字输出。当AO的值到达DO的阈值时,DO输出高电平。否则,DO输出低电平。
- VCC (正级) 引脚为传感器供电。使用3.3V – 5V之间的电压为传感器供电. 在这里我们使用的是 5V 供电
- GND (负极) 接地引脚。

由电路原理图我们可以看出,模块的核心是一个电压比较器,采用了常见的LM393。
LM393的正相输入端接的是由两个电阻组成的分压电路,其中下电阻是土壤湿度传感器,该土壤湿度传感器就是两个电极,当两个电极之间有土壤连接之后,就等效为一个电阻,电阻值会随着土壤湿度变化而变化。实物图中,带两个大电极的那个就是土壤湿度传感器了。

LM393是电压比较器,将接在土壤湿度传感器端的两个电极插入土壤中,由于土壤中的水有一定的导电性,土壤湿度的变化会导致土壤的等效电阻值发生变化,将分压得到的电压信号传递给电压比较器的同相输入端,这个变化的电压信号与电压比较器的反相输入端的基准电压相比较。
在土壤干燥时,两个电极之间的等效电阻值很大,AO处分压点电压升高,一定程度后,使同相端电压大于反相端电压,电压比较器的输出端OUT输出高电平电压,此时开关指示灯不亮。
在土壤湿润时,两个电极之间的等效电阻值很小,AO处分压点电压下降,一定程度后,使同相端电压小于反相端电压,电压比较器的输出端OUT输出低电平电压,此时开关指示灯亮。
接在反相端端的电位器用于调节该端的电位电压,这个电压也就是电压比较器输入的阀值翻转电压,用于土壤湿度灵敏度调节。
浇水模块
GPIO 连接继电器. 控制继电器输出高电平,水汞打开, 实现浇水功能。

电源模块
软件设计
主要有系统控制和传感器采集两大模块组成。
核心控制模块
根据传感器采集的湿度值,判断是否浇水。 将定时, 去读取湿度传感器.
传感器采集模块
湿度模块工作原理
- 通过电位器调节控制相应阀值,湿度低于设定值时,DO输出高电平,高于设定值时,DO输出低电平;
- 模块中蓝色的电位器是用于土壤湿度的阀值调节,顺时针调节,控制的湿度会越大,逆时针越小;
- 数字量输出D0可以与单片机I/O直接相连,通过单片机来检测高低电平,由此来控制LED灯的亮灭等定性地显示土壤湿度状态;
- 模拟量输出口AO读出所在湿度的状态值,然后转换为0~4095的数值,转换成百分比数值,通过这样的转换可以定量地获得土壤湿度更精确的数值;
水汞控制模块
使用继电器控制水汞打开.
配置模块
这块能过 MQRT 协议, 实现将配置参数下发到开发板上, 再使用EEPROM将保存配参数.
数据通信模块
使用 EPS32 自带的 wifi 模块, 通过连接 wifi 模块, 使用 MQTT 协议实现数据上传. 主要将数据上传到 aliyun 的MQTT 服务器.
项目实现步聚
第一阶段
- 实现硬件电路的连通
- 实现传感器采集湿度值
- 实现水汞控制
- 根据湿度值判断是否浇水, 实现简单的控制作用
第二阶段
- 实现 wifi 模块的连接, 并能与aliyun 服务器建立连接.
- 实现配置模块, 实现配置参数的下发.
- 实现数据通信模块, 将数据上传到阿里云.
- 实现数据可视化.